Тип S3 Неподвижные кольца
Тип S3
Аналог:
AESSEAL S07 / S070, John Crane W, Roten W, Vulcan 21 / 31, Flowserve 1H, Sealol BA / CBA

S3.1 Углеграфит, запрессованный в стальное кольцо

S3.2 Карбид кремния, запрессованный в стальное кольцо

S3.3 Карбид вольфрама, впаянный в стальное кольцо

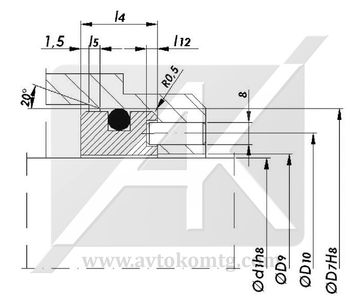
|
d1 |
D7 |
D9 |
D10 |
l4 |
l5 |
l12 |
|
10 |
21 |
11 |
16 |
10 |
1.5 |
1.5 |
|
12 |
23 |
13 |
18 |
10 |
1.5 |
1.5 |
|
14 |
25 |
15 |
20 |
10 |
1.5 |
1.5 |
|
16 |
27 |
17 |
22 |
10 |
1.5 |
1.5 |
|
18 |
33 |
19 |
25 |
11.5 |
2.0 |
1.5 |
|
20 |
35 |
21 |
27 |
11.5 |
2.0 |
1.5 |
|
22 |
37 |
23 |
29 |
11.5 |
2.0 |
1.5 |
|
24 |
39 |
25 |
31 |
11.5 |
2.0 |
1.5 |
|
25 |
40 |
26 |
32 |
11.5 |
2.0 |
1.5 |
|
28 |
43 |
29 |
36 |
11.5 |
2.0 |
2.0 |
|
30 |
45 |
31.5 |
38 |
11.5 |
2.0 |
2.0 |
|
32 |
48 |
33.5 |
40.5 |
11.5 |
2.0 |
2.0 |
|
33 |
48 |
34.5 |
41 |
11.5 |
2.0 |
2.0 |
|
35 |
50 |
36.5 |
43 |
11.5 |
2.0 |
2.0 |
|
38 |
56 |
39.5 |
47 |
14 |
2.0 |
2.0 |
|
40 |
58 |
41.5 |
49 |
14 |
2.0 |
2.0 |
|
43 |
61 |
44.5 |
52.5 |
14 |
2.0 |
2.0 |
|
45 |
63 |
46.5 |
54 |
14 |
2.0 |
2.0 |
|
48 |
66 |
49.5 |
57 |
14 |
2.0 |
2.0 |
|
50 |
70 |
52 |
60 |
15 |
2.5 |
2.5 |
|
53 |
73 |
55 |
63.5 |
15 |
2.5 |
2.5 |
|
55 |
75 |
57 |
65.5 |
15 |
2.5 |
2.5 |
|
58 |
78 |
60 |
67.5 |
15 |
2.5 |
2.5 |
|
60 |
80 |
62 |
70 |
15 |
2.5 |
2.5 |
|
63 |
83 |
65 |
73 |
15 |
2.5 |
2.5 |
|
65 |
85 |
67 |
76 |
15 |
2.5 |
2.5 |
|
68 |
90 |
70 |
80 |
15 |
2.5 |
2.5 |
|
70 |
92 |
72 |
82 |
17 |
2.5 |
2.5 |
|
75 |
97 |
77 |
87 |
17 |
2.5 |
2.5 |
|
80 |
105 |
82 |
93.5 |
17 |
3.0 |
3.0 |
|
85 |
110 |
87 |
98.5 |
17 |
3.0 |
3.0 |
|
90 |
115 |
92 |
103.5 |
17 |
3.0 |
3.0 |
|
95 |
120 |
97 |
108.5 |
1'7 |
3.0 |
3.0 |
|
100 |
125 |
102 |
113.5 |
17 |
3.0 |
3.0 |
ru
English [en]













