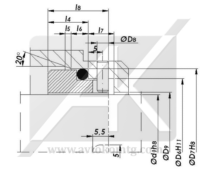
Тип S1 Неподвижные кольца
Аналог:
AESSEAL S02, Burgmann G9, Vulcan 8.DINL, Sterling SM32DINL, Flowserve 8L
Тип S1

S1.1 Углеграфит, запрессованный в стальное кольцо

S1.2 Карбид кремния, запрессованный в стальное кольцо

S1.3 Карбид вольфрама, впаянный в стальное кольцо

|
d1 |
D6 |
D7 |
D8 |
D9 |
l4 |
l5 |
l6 |
l7 |
l8 |
|
10 |
17 |
21 |
3 |
11 |
10 |
1.5 |
4 |
8.5 |
16 |
|
12 |
19 |
23 |
3 |
13 |
10 |
1.5 |
4 |
8.5 |
16 |
|
14 |
21 |
25 |
3 |
15 |
10 |
1.5 |
4 |
8.5 |
16 |
|
16 |
23 |
27 |
3 |
17 |
10 |
1.5 |
4 |
8.5 |
16 |
|
18 |
27 |
33 |
3 |
19 |
11.5 |
2.0 |
5 |
9.0 |
18 |
|
20 |
29 |
35 |
3 |
21 |
11.5 |
2.0 |
5 |
9.0 |
18 |
|
22 |
31 |
37 |
3 |
23 |
11.5 |
2.0 |
5 |
9.0 |
18 |
|
24 |
33 |
39 |
3 |
25 |
11.5 |
2.0 |
5 |
9.0 |
18 |
|
25 |
34 |
40 |
3 |
26 |
11.5 |
2.0 |
5 |
9.0 |
18 |
|
28 |
37 |
43 |
3 |
29 |
11.5 |
2.0 |
5 |
9.0 |
18 |
|
30 |
39 |
45 |
3 |
31.5 |
11.5 |
2.0 |
5 |
9.0 |
18 |
|
32 |
42 |
48 |
3 |
33.5 |
11.5 |
2.0 |
5 |
9.0 |
18 |
|
33 |
42 |
48 |
3 |
34.5 |
11.5 |
2.0 |
5 |
9.0 |
18 |
|
35 |
44 |
50 |
3 |
36.5 |
11.5 |
2.0 |
5 |
9.0 |
18 |
|
38 |
49 |
56 |
4 |
39.5 |
14 |
2.0 |
6 |
9.0 |
20.5 |
|
40 |
51 |
58 |
4 |
41.5 |
14 |
2.0 |
6 |
9.0 |
20.5 |
|
43 |
54 |
61 |
4 |
44.5 |
14 |
2.0 |
6 |
9.0 |
20.5 |
|
45 |
56 |
63 |
4 |
46.5 |
14 |
2.0 |
6 |
9.0 |
20.5 |
|
48 |
59 |
66 |
4 |
49.5 |
14 |
2.0 |
6 |
9.0 |
20.5 |
|
50 |
62 |
70 |
4 |
52 |
15 |
2.5 |
6 |
9.0 |
21.5 |
|
53 |
65 |
73 |
4 |
55 |
15 |
.25 |
6 |
9.0 |
21.5 |
|
55 |
67 |
75 |
4 |
57 |
15 |
2.5 |
6 |
9.0 |
21.5 |
|
58 |
70 |
78 |
4 |
60 |
15 |
2.5 |
6 |
9.0 |
21.5 |
|
60 |
72 |
80 |
4 |
62 |
15 |
2.5 |
6 |
9.0 |
21.5 |
|
63 |
75 |
83 |
4 |
65 |
15 |
2.5 |
6 |
9.0 |
21.5 |
|
65 |
77 |
85 |
4 |
67 |
15 |
2.5 |
6 |
9.0 |
21.5 |
|
68 |
81 |
90 |
4 |
70 |
15 |
2.5 |
7 |
9.0 |
21.5 |
|
70 |
83 |
92 |
4 |
72 |
17 |
2.5 |
7 |
9.0 |
23.0 |
|
75 |
88 |
97 |
4 |
77 |
17 |
2.5 |
7 |
9.0 |
23.0 |
|
80 |
95 |
105 |
4 |
82 |
1717 |
3.0 |
7 |
9.0 |
23.2 |
|
85 |
100 |
110 |
4 |
87 |
17 |
3.0 |
7 |
9.0 |
23.2 |
|
90 |
105 |
115 |
4 |
92 |
17 |
3.0 |
7 |
9.0 |
23.2 |
|
95 |
110 |
120 |
4 |
97 |
17 |
3.0 |
7 |
9.0 |
23.2 |
|
100 |
115 |
125 |
4 |
102 |
17 |
3.0 |
7 |
9.0 |
23.2 |
ru
English [en]













