Разъёмные торцевые уплотнения SPLITBOX

Характеристики:
- состоит из двух собранных частей;
- не требует разборки оборудования;
- гидравлически разгружено;
- неподвижный пружинный узел;
- не требует клеевых соединений для сборки;
- не зависит от направления вращения;
- быстрый и легкий монтаж;
- малый уровень утечки;
- контроль утечки;
- не повреждает вал.
Параметры работы:
- диаметры валов от 50 до 180мм (от 2" до 7");
- давление до 10 бар;
- температура -40/+150°C;
- скорость вращения до 10 м/с.
Материальное исполнение:
Материалы колец пары трения:
- углеграфит (A);
- карбид кремния (Q6).
Вторичные уплотнения:
- EPDM (E);
- FKM (V);
- NBR (P).
Пружины:
- CrNiMo сталь (G);
- прочие металлические детали (G).
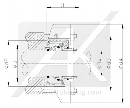
| Dw | d1 | d2 | d3min | d4 | l1 |
| 50 | 75 | 84 | 98 | 138 | 63 |
| 60 | 89 | 101 | 115 | 149 | 64 |
| 70 | 98 | 113 | 128 | 176 | 64 |
| 80 | 110 | 132 | 145 | 191 | 65 |
| 90 | 121 | 140 | 165 | 203 | 72,5 |
| 100 | 131 | 150 | 165 | 216 | 72,5 |
| 110 | 142 | 165 | 190 | 230 | 72,5 |
| 120 | 152 | 175 | 198 | 240 | 89,5 |
| 140 | 175 | 200 | 215 | 303 | 89,5 |
| 150 | 188 | 215 | 230 | 308 | 89,5 |
ru
English [en]













