API 682-1 Картриджные торцевые уплотнения

Присоединительные размеры уплотнений и камер насосов по API 682

|
Диаметр вала d1, мм |
Диаметр камеры d2, мм |
Диаметр центров отв. под болты, d3, мм |
Длина уплотнения С, мм |
Глубина камеры, С-Е, мм |
Диаметр болтов |
|
20 |
70 |
105 |
150 |
50 |
М12 |
|
30 |
80 |
115 |
155 |
55 |
М12 |
|
40 |
90 |
125 |
160 |
60 |
М12 |
|
50 |
100 |
140 |
165 |
55 |
М16 |
|
60 |
120 |
160 |
170 |
60 |
М16 |
|
70 |
130 |
170 |
175 |
65 |
М16 |
|
80 |
140 |
180 |
180 |
70 |
М16 |
|
90 |
160 |
205 |
185 |
65 |
М20 |
|
100 |
170 |
215 |
190 |
70 |
М20 |
|
110 |
180 |
225 |
195 |
75 |
М20 |
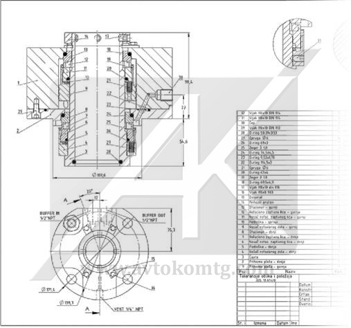
Пример уплотнения APIX по API 682

Категория 1, Тип А,
Компоновка 2/3 -двойное
Параметры:
Температура: -30°C ... 220°C
Давление: до 40 бар
Скорость: до 25 м/с / 5000 об/мин
Осевое перемещение: ±2,0 ..4,0 мм
Пример уплотнения APIX по API 682

Категория 2, Тип A,
Компоновка 2 -двойное
Параметры:
Температура: -40°C ... 220°C
Давление: до 40 бар
Скорость: до 25 м/с / 5000 об/мин
Осевое перемещение: ±2,0 ..4,0 мм
ru
English [en]













