BV-2 Гидравлически разгруженное торцевое уплотнение с набором пружин
DIN 24960

Конструкция торцевого уплотнения тип BV-2 не допускает контакта пружин с рабочей жидкостью, что исключает проблемы имеющие место у других многопружинных уплотнений. Профилированная уплотняющая поверхность вращающейся части обеспечивает хорошую гидравлическую разгрузку, что обеспечивает применение механического уплотнения тип BV-2 при давлениях до 40 бар.
Удобная замена и унифицированность уплотняющей поверхности обеспечивают несложное применение различных видов уплотняющих материалов.
Удобная замена всех компонентов уплотнений при минимальном размере затрат делает ремонт уплотнений несложным и экономичным.
Аналог:
AESSEAL SAI / M010, Burgmann HJ92N / HJ97N, Roten EHS, Grundfos NGK, Hecker HN 435, KSB, Ropac Propac 50

Материалы уплотняющих лицевых частей:
углеграфит
хромистая сталь
хромоникелевая сталь
хромоникелевая сталь увеличенной жесткости
карбид вольфрама
карбид кремния
керамика (Al2O3)
Эксплуатационные ограничения:
р = 42 бар
t = -20 ... 180°C
v = 10 м/с

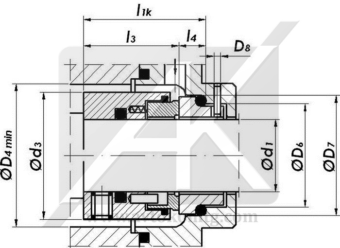
|
d1 |
d3 |
D4 |
D6 |
D7 |
D8 |
l3 |
l4 |
llk |
|
18 |
32 |
34 |
27 |
33 |
3 |
30 |
7.5 |
37.5 |
|
20 |
34 |
36 |
29 |
35 |
3 |
30 |
7.5 |
37.5 |
|
22 |
36 |
38 |
31 |
37 |
3 |
30 |
7.5 |
37.5 |
|
24 |
38 |
40 |
33 |
39 |
3 |
32.5 |
7.5 |
40 |
|
25 |
39 |
41 |
34 |
40 |
3 |
32.5 |
7.5 |
40 |
|
28 |
42 |
44 |
37 |
43 |
3 |
34 |
8.5 |
42.5 |
|
30 |
44 |
46 |
39 |
45 |
3 |
34 |
8.5 |
42.5 |
|
32 |
46 |
48 |
42 |
48 |
3 |
34 |
8.5 |
42.5 |
|
33 |
47 |
49 |
42 |
48 |
3 |
34 |
8.5 |
42.5 |
|
35 |
49 |
51 |
44 |
50 |
3 |
34 |
8.5 |
42.5 |
|
38 |
54 |
58 |
49 |
56 |
4 |
36.5 |
8.5 |
45 |
|
40 |
56 |
60 |
51 |
58 |
4 |
36.5 |
8.5 |
45 |
|
43 |
59 |
63 |
54 |
61 |
4 |
36.5 |
8.5 |
45 |
|
45 |
61 |
65 |
56 |
63 |
4 |
36.5 |
8.5 |
45 |
|
48 |
64 |
68 |
59 |
66 |
4 |
36.5 |
8.5 |
45 |
|
50 |
66 |
70 |
62 |
70 |
4 |
36.5 |
11 |
47.5 |
|
53 |
69 |
73 |
65 |
73 |
4 |
36.5 |
11 |
47.5 |
|
55 |
71 |
75 |
67 |
75 |
4 |
36.5 |
11 |
47.5 |
|
58 |
78 |
83 |
70 |
78 |
4 |
41.5 |
11 |
52.5 |
|
60 |
80 |
85 |
72 |
80 |
4 |
41.5 |
11 |
52.5 |
|
63 |
83 |
88 |
75 |
83 |
4 |
41.5 |
11 |
52.5 |
|
65 |
85 |
90 |
77 |
85 |
4 |
41.5 |
11 |
52.5 |
|
68 |
88 |
93 |
81 |
90 |
4 |
41.5 |
11 |
52.5 |
|
70 |
90 |
95 |
83 |
92 |
4 |
49 |
11 |
60 |
|
75 |
99 |
104 |
88 |
97 |
4 |
49 |
11 |
60 |
|
80 |
104 |
109 |
95 |
105 |
4 |
46 |
14 |
60 |
|
85 |
109 |
114 |
100 |
110 |
4 |
46 |
14 |
60 |
|
90 |
114 |
119 |
105 |
115 |
4 |
51 |
14 |
65 |
|
95 |
119 |
124 |
110 |
120 |
4 |
51 |
14 |
65 |
|
100 |
124 |
129 |
115 |
125 |
4 |
51 |
14 |
65 |
+ уплотнения по вашим чертежам и тех. заданию
ru
English [en]













